Anmelden
Favoriten
Mein Warenkorb
Kontakt
Zurück
Catégories
Aufhängung
Auspuff
Außen
Bremsen
Elektrizität
Fahrwerke
Filter
Getriebe und Übertragung
Karosserie
Motor
Räder u. Reifen
Sonden und Sensoren
Autres catégories
Auto reinigen
Auto-Werkzeuge
Automobilzeitschrift
Generische Werkzeuge
Geschenkideen
Glühlampen
Motorradteile
Schneesocken
Schrauben und Hardware
Werkstattausrüstung
Öle - Fette - Flüssigkeiten
Zurück
Bevorzugte autoherstellern
Volkswagen
BMW
Porsche
Mazda
Citroën
Renault
Peugeot
Audi
Mercedes
Mini
Seat
Alpine
Skoda
MG
Andere autoherstellern
Fiat
Ford Europe
Opel
Unsere Modelle
VW Cox
VW Golf 1
VW Golf 2
VW Golf 3
VW Golf 4
VW Transporter T6
VW golf 5
VW golf 6
VW Transporter T25 - T3
VW Transporter T4
VW Transporter T5
BMW e46
Porsche 911
Audi A3 8P
BMW e30
BMW e36
BMW e10
BMW e34
Peugeot 205
Renault 4L
Citroën 2 CV
+33 320 683 800
Produkt
Öltemperatursensor für Porsche 993 (1994-1998)
Beschreibung
Öltemperatursensor am Kühler für Porsche 964 von 1989 bis 1994 :
- 993 3.6 Carrera von 1994 bis 1998
- 993 3.6 Carrera 4 von 1995 bis 1997
- 993 3.6 Carrera S von 1997 bis 1998
- 993 3.6 Carrera 4S von 1996 bis 1998
- 993 3.8 Carrera RS von 1995 bis 1996
- 993 3.6 Turbo von 1995 bis 1998
- 993 3.6 Turbo S von 1997 bis 1998
- 993 3.6 GT2 von 1996 bis 1998
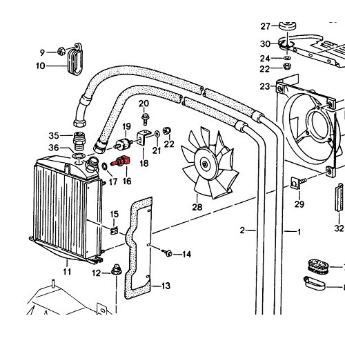
Element Nummer 16 in der Abbildung (Foto 2).
Wird mit Dichtung geliefert
Fragen Sie die Benutzer dieses Produkts
* Pflichtfeld, es wird mit Ihrer Frage angezeigt.
** Ihre E-Mail-Adresse wird nicht für Werbezwecke verwendet, sondern nur für die Community und den Kundenservice, der Sie gegebenenfalls kontaktiert, damit Ihre Anfrage bearbeitet werden kann.
MECATECHNIC erfasst Ihre Daten, um Ihre Anfrage zu bearbeiten – was nicht möglich ist, wenn Sie uns die in unseren Onlineformularen angeforderten Angaben nicht zur Verfügung stellen. Gemäß dem französischen Datenschutzgesetz vom 6. Januar 1978 haben Sie bezüglich Ihrer personenbezogenen Daten das Recht auf Auskunft und Berichtigung. Um Ihr Recht auszuüben, schreiben Sie uns einfach unter Angabe Ihres vollständigen Namens und Ihrer E-Mail-Adresse.
Außentemperatursensor für MINI II und III (09/2000-10/2016)
Phasenschieber-Magnetventil für Mini III (09/2005-10/2016)
Exzentrischer Welleneinstellmotor für Mini III (10/2005-10/2016)
Exzenterwellensensor für MINI III R60 Countryman und R61 Paceman Benziner (01/2010-10/2016)
Nockenwellensensor BOSCH für MINI III R60 Countryman und R61 Paceman Benzin (01/2010-10/2016)
69,90 €
Inkl. MwSt.Öltemperatursensor am Kühler für Porsche 964 von 1989 bis 1994 :
- 993 3. 6 Carrera von 1994 bis 1998- 993 3. 6 Carrera 4 von 1995 bis 1997- 993 3. 6 Carrera S von 1997 bis 1998- 993 3. 6 Carrera 4S von 1996 bis 1998- 993 3. 8 Carrera RS von 1...
Nur noch 2 auf Lager
Nur noch 2 auf Lager
14h 39 mins restantes, pour une expédition aujourd’hui
Versendet von Mecatechnic am: Montag, 29. Dezember 2025
Liefermethode
Abholstelle Mondial Relay - 48/72s : 6.90€
Abholstelle La Poste - 48/72s : 7.90€
TNT - 24/48s : 10.90€
Abholung im Lager in Wambrechies : Gratis
ref: RS00429
Produkt ansehen
Beschreibung Produkt
Öltemperatursensor am Kühler für Porsche 964 von 1989 bis 1994 :
- 993 3.6 Carrera von 1994 bis 1998
- 993 3.6 Carrera 4 von 1995 bis 1997
- 993 3.6 Carrera S von 1997 bis 1998
- 993 3.6 Carrera 4S von 1996 bis 1998
- 993 3.8 Carrera RS von 1995 bis 1996
- 993 3.6 Turbo von 1995 bis 1998
- 993 3.6 Turbo S von 1997 bis 1998
- 993 3.6 GT2 von 1996 bis 1998
Element Nummer 16 in der Abbildung (Foto 2).
Wird mit Dichtung geliefert
Kein Kommentar zum Produkt
Mit Trusted Shops können wir uns direkt verbessern, und zwar durch Ihre Bewertungen auf der Website MECATECHNIC
Danke, wir haben Ihre Frage erfasst.
* Pflichtfeld, es wird mit Ihrer Frage angezeigt.
** Ihre E-Mail-Adresse wird nicht für Werbezwecke verwendet, sondern nur für die Community und den Kundenservice, der Sie gegebenenfalls kontaktiert, damit Ihre Anfrage bearbeitet werden kann.
MECATECHNIC erfasst Ihre Daten, um Ihre Anfrage zu bearbeiten – was nicht möglich ist, wenn Sie uns die in unseren Onlineformularen angeforderten Angaben nicht zur Verfügung stellen. Gemäß dem französischen Datenschutzgesetz vom 6. Januar 1978 haben Sie bezüglich Ihrer personenbezogenen Daten das Recht auf Auskunft und Berichtigung. Um Ihr Recht auszuüben, schreiben Sie uns einfach unter Angabe Ihres vollständigen Namens und Ihrer E-Mail-Adresse.
Fahrzeug-Kompatibilität
Versand binnen 24/48 h
Mit 45.000 auf Lager befindlichen Artikeln können wir % des demandes, et 99%binnen 10 Tagen zu Ihnen ins Haus oder an eine Abholstelle liefern. Unsere Lieferzeit beträgt 24 bis 48 Stunden in Kontinentalfrankreich.
Mehr erfahrenSichere Zahlung
Die Sicherheit der Transaktionen gewährleisten Hipay und PayPal, die internationalen Marktführer für Onlinezahlungen. Um Betrug zu verhindern, kommt bei bestimmten Transaktionen eine Lösung namens 3-D Secure zum Einsatz. Wir können zu keiner Zeit auf Ihre Bankdaten zugreifen.
Mehr erfahrenGeld-zurück-Garantie
Die Zufriedenheit der Kunden ist eine unserer Prioritäten. Wir heißen Sie herzlich willkommen und sind für Sie da. Außerdem akzeptieren wir jedes Produkt, das in gutem Zustand und in der Originalverpackung zurückgegeben wird.
Mehr erfahrenWeitere Produkte aus der Reihe Sonde und Motorsensor
Nur noch 3 auf Lager
4,90 € Inkl. MwSt.
5,0
Außentemperatursensor für MINI II und III (09/2000-10/2016)
ref: MC30400Nur noch 1 auf Lager
59,90 € Inkl. MwSt.
Phasenschieber-Magnetventil für Mini III (09/2005-10/2016)
ref: MC50010Nur noch 1 auf Lager
124,90 € Inkl. MwSt.
Exzentrischer Welleneinstellmotor für Mini III (10/2005-10/2016)
ref: MC50011Nur noch 2 auf Lager
84,90 € Inkl. MwSt.
Exzenterwellensensor für MINI III R60 Countryman und R61 Paceman Benziner (01/2010-10/2016)
ref: MC73091Nur noch 2 auf Lager
30,90 € Inkl. MwSt.
Nockenwellensensor BOSCH für MINI III R60 Countryman und R61 Paceman Benzin (01/2010-10/2016)
ref: MC73066ABONNIEREN SIE UNSEREN MECATECHNIC-NEWSLETTER
Lernen Sie uns besser kennen
Sicherheit und Zahlung
Brauchen Sie Hilfe?
KONTAKTIEREN SIE UNS
+33 320 683 800
Sichere Zahlung :
© Copyrights 2013-2025, Mecatechnic.com