Accedi
Preferiti
Il mio carrello
Contattarci
Torna indietro
Catégories
Carburazione
Carrozzeria
Cavo
Direzione
Elettricità
Esterno
Filtri
Frenaggio
Interno
Motore
Ruote e pneumatici
Scarico
Scatola e trasmissione
Sonde e sensori
Sospensione
carrelli
Autres catégories
Attrezzatura da officina
Calze da neve
Elementi di fissaggio e ferramenta
Idee regalo
Lampadine
Oli - grassi - liquidi
Parti di ricambio per moto
Pulizia dell'auto
Rivista di auto
Strumenti generici
Strumenti per il settore automobilistico
Torna indietro
I costruttori preferiti
Volkswagen
BMW
Porsche
Mazda
Citroën
Renault
Peugeot
Audi
Mercedes
Mini
Seat
Alpine
Skoda
MG
Altre costruttori
Fiat
Ford Europe
Opel
I nostri modelli
VW Cox
VW Golf 1
VW Golf 2
VW Golf 3
VW Golf 4
VW Transporter T6
VW golf 5
VW golf 6
VW Transporter T25 - T3
VW Transporter T4
VW Transporter T5
BMW e46
Porsche 911
Audi A3 8P
BMW e30
BMW e36
BMW e10
BMW e34
Peugeot 205
Renault 4L
Citroën 2 CV
+39 02 21807325
Prodotto
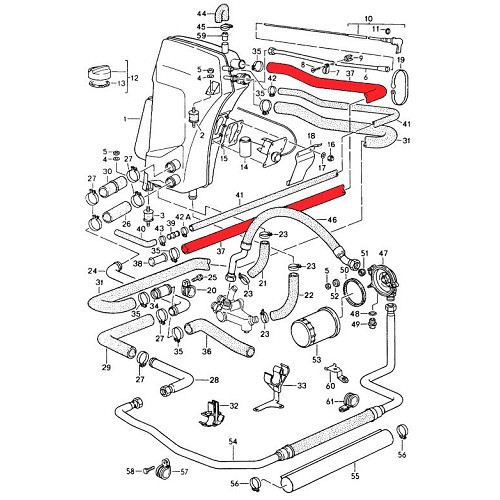
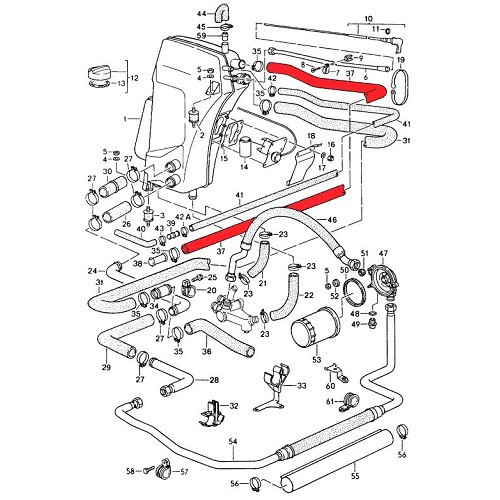
Manicotto superiore per sfiato del serbatoio dell'olio inferiore per Porsche 964
Descrizione
Interrogate gli utenti di questi prodotti
* Campo obbligatorio, apparirà con la sua domanda.
** Votre adresse email ne sera pas utilisée à des fins commerciales mais uniquement à destination de la communauté et du service client qui se réserve la possibilité de vous contacter pour faciliter le traitement de votre demande.
MECATECHNIC raccoglie i suoi dati per trattare la sua domanda, ciò che non sarà possibile se non ci comunica le informazioni chieste sui nostri formulari in linea. Conformemente alla legge informatica e libertà del 6 gennaio 1978, dispone di un diritto di accesso e di rettifica ai dati che lo guardano. Per usare del suo diritto, basta scriverci indicando il suo nome, nome ed indirizzo elettronico.
Tubo flessibile dell'olio 13 mm - 1 metro
Nippli di sfiato olio 12 mm - set di 2
Guarnizioni della pompa dell'olio per VOLKSWAGEN Combi Split Brazil (1957-1975)
Guarnizioni della pompa dell'olio per VOLKSWAGEN Combi Split Brazil (1957-1975)
Pompa dell'olio per VOLKSWAGEN Combi Split Brazil (1957-1975)
40,90 €
28,63 €
tasse incl.Promozione ! 28.63 € tasse incl. invece di 40.9 € tasse incl., fino a esaurimento scorte.
Più infoSolo 1 in stock
Solo 1 in stock
10 minuti rimanenti, per una spedizione oggi
Spedizione da Mecatechnic il : giovedì 15 gennaio 2026
modo di consegna
Punto ritiro Mondial Relay - 48/72o : 5.90€
Punto ritiro La Poste - 48/72o : 6.90€
Colissimo - 48/72o : 7.90€
TNT - 24/48o : 9.90€
Chronopost - 24o : 11.90€
Ritiro in negozio Wambrechies (Francia) : Offerto
ref: RS10071
Aggiungi alla lista dei preferiti
Descrizione Prodotto
Promozione ! 28.63 € tasse incl. invece di 40.9 € tasse incl., fino a esaurimento scorte.
Referenza di origine OEM:
964 207 145 01
Nessun commento sul prodotto
Con Trusted Shops, possiamo migliorare direttamente grazie alle sue opinioni pubblicate sul sito web di MECATECHNIC
Chiedere agli utenti sul prodotto
Grazie, la tua domanda è stata presa in considerazione
* Campo obbligatorio, apparirà con la sua domanda.
** Votre adresse email ne sera pas utilisée à des fins commerciales mais uniquement à destination de la communauté et du service client qui se réserve la possibilité de vous contacter pour faciliter le traitement de votre demande.
MECATECHNIC raccoglie i suoi dati per trattare la sua domanda, ciò che non sarà possibile se non ci comunica le informazioni chieste sui nostri formulari in linea. Conformemente alla legge informatica e libertà del 6 gennaio 1978, dispone di un diritto di accesso e di rettifica ai dati che lo guardano. Per usare del suo diritto, basta scriverci indicando il suo nome, nome ed indirizzo elettronico.
Compatibilità con il veicolo
Spedizione veloce
I nostri 45.000 articoli disponibili a magazzino ci consentono di spedire a domicilio immediatamente l'85% delle richieste e il 99% entro 10 giorni. Tempo di consegna medio è di 4/5 lavorativi (Italia).
Ulteriori informazioniPagamento sicuro
La sicurezza delle transazioni è garantita da Hipay e PayPal, leader internazionale nei pagamenti via Internet. Per prevenire le frodi, alcune transazioni beneficiano di una soluzione chiamata 3D Secure. Non abbiamo accesso ai suoi dati bancari.
Ulteriori informazioniSoddisfatti o rimborsati
La soddisfazione del cliente è una delle nostre priorità. Vogliamo essere accoglienti e disponibili. Inoltre, ci impegniamo ad accettare qualsiasi prodotto restituito in buone condizioni e nella sua confezione originale.
Ulteriori informazioniAltri prodotti della gamma Circuito dell'olio
In magazzino
12,90 € tasse incl.
4,5
Tubo flessibile dell'olio 13 mm - 1 metro
ref: KZ10000In magazzino
9,90 € tasse incl.
Nippli di sfiato olio 12 mm - set di 2
ref: KZ10188In magazzino
2,90 € tasse incl.
Guarnizioni della pompa dell'olio per VOLKSWAGEN Combi Split Brazil (1957-1975)
ref: KZ10204In magazzino
2,90 € tasse incl.
Guarnizioni della pompa dell'olio per VOLKSWAGEN Combi Split Brazil (1957-1975)
ref: KZ10205Solo 4 in stock
20,90 € tasse incl.
Pompa dell'olio per VOLKSWAGEN Combi Split Brazil (1957-1975)
ref: KZ10208ISCRIVITI ALLA NOSTRA NEWSLETTER MECATECHNIC
Conosciamoci meglio
Sicurezza e pagamento
Assistenza
CONTATTACI
+39 02 21807325
Pagamento sicuro :
© Copyrights 2013-2026, Mecatechnic.com