Log in
Wishlist
My basket
Contact us
Back
Catégories
Body
Braking
Carburation
Electricity
Engine
Exterior
Filters
Gearbox and transmission
Interior
Sensors
Steering
Suspension
Undercarriages
Autres catégories
Automotive magazine
Automotive tools
Bulbs
Car cleaning
Fasteners and hardware
Generic tools
Gift ideas
Greases
Motorcycle parts
Textile snow chain
Workshop tools
Back
Favorite brands
Volkswagen
BMW
Porsche
Mazda
Citroën
Renault
Peugeot
Audi
Mercedes
Mini
Seat
Alpine
Skoda
MG
Other Brands
Fiat
Ford Europe
Opel
Our models
VW Cox
VW Golf 1
VW Golf 2
VW Golf 3
VW Golf 4
VW Transporter T6
VW golf 5
VW golf 6
VW Transporter T25 - T3
VW Transporter T4
VW Transporter T5
BMW e46
Porsche 911
Audi A3 8P
BMW e30
BMW e36
BMW e10
BMW e34
Peugeot 205
Renault 4L
Citroën 2 CV
+33 320 683 800
Product
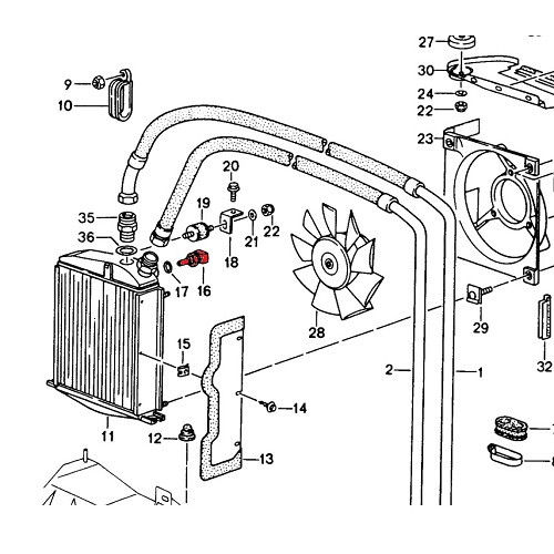
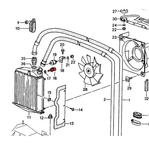
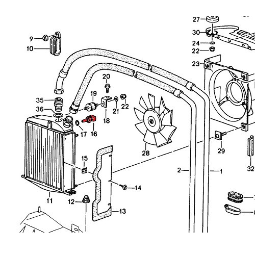
Oil temperature sensor for Porsche 993 (1994-1998)
Description
Oil temperature sensor on radiator for Porsche 964 from 1989 to 1994 :
- 993 3.6 Carrera from 1994 to 1998
- 993 3.6 Carrera 4 from 1995 to 1997
- 993 3.6 Carrera S from 1997 to 1998
- 993 3.6 Carrera 4S from 1996 to 1998
- 993 3.8 Carrera RS from 1995 to 1996
- 993 3.6 Turbo from 1995 to 1998
- 993 3.6 Turbo S from 1997 to 1998
- 993 3.6 GT2 from 1996 to 1998
item number 16 on diagram (photo 2)
Supplied with gasket
Ask users about this product
* Required field, it will appear with your question.
** Your email address won't be used for commercial purposes but only for the community and the customer service which will be able to contact you to help for the treatment of your request.
Under the Data Protection Act of 6 January 1978, you have a right to access
and rectify data concerning you. To exercise your right, just write us
indicating your name and email address.
Exhaust camshaft sensor for Bmw 6 Series E63 Coupé and E64 cabriolet (05/2002-08/2005)
Pressure converter for Bmw 6 Series E63 Coupé and E64 Cabriolet (04/2006-07/2010)
FEBI crankshaft pulser for Bmw 6 Series E63 Coupé and E64 Cabriolet (06/2006-07/2010)
Shock absorber for Bmw 6 Series E63 Coupé and E64 Cabriolet (05/2002-07/2010)
FEBI coolant level sensor for Bmw 6 Series E63 Coupé and E64 Cabriolet (02/2002-07/2010)
69,90 €
ATIOil temperature sensor on radiator for Porsche 964 from 1989 to 1994 :
- 993 3. 6 Carrera from 1994 to 1998- 993 3. 6 Carrera 4 from 1995 to 1997- 993 3. 6 Carrera S from 1997 to 1998- 993 3. 6 Carrera 4S from 1996 to 1998- 993 3. 8 Carrera RS fr...
Only 2 in stock
Only 2 in stock
0-12 minutes left, for a shipment today
Shipped by Mecatechnic on: Monday, December 8, 2025
Delivery mode
Home delivery : On estimate
Collect at store Wambrechies (France) : Free
ref: RS00429
Add to wishlist
Description Product
Oil temperature sensor on radiator for Porsche 964 from 1989 to 1994 :
- 993 3.6 Carrera from 1994 to 1998
- 993 3.6 Carrera 4 from 1995 to 1997
- 993 3.6 Carrera S from 1997 to 1998
- 993 3.6 Carrera 4S from 1996 to 1998
- 993 3.8 Carrera RS from 1995 to 1996
- 993 3.6 Turbo from 1995 to 1998
- 993 3.6 Turbo S from 1997 to 1998
- 993 3.6 GT2 from 1996 to 1998
item number 16 on diagram (photo 2)
Supplied with gasket
No commentary about the product
With Trusted Shops, we can improve directly thanks to your comments posted on the MECATECHNIC website
Thank you, your question has been taken into account
* Required field, it will appear with your question.
** Your email address won't be used for commercial purposes but only for the community and the customer service which will be able to contact you to help for the treatment of your request.
Under the Data Protection Act of 6 January 1978, you have a right to access
and rectify data concerning you. To exercise your right, just write us
indicating your name and email address.
Vehicle compatibility
Fast shipping
The 45, 000 references we have on stock allows us to send 85% of requests immediately to your address or to a relay point, and 99% within 10 days.
Learn moreSecure payment
Transaction security is insured by Hipay and Paypal, worldwide leaders in online payments. To prevent fraud, some transactions are protected by a solution called 3D Secure. At no time we have and will have access to your personal bank details.
Learn moreSatisfied or refunded
Our main priority is customer satisfaction, We want to be helpful and available. Therefore, we are committed to accept any product returned in good condition and with its original packaging.
Learn moreOther products in the Motor probe and sensor range
In stock
20,90 € ATI
Exhaust camshaft sensor for Bmw 6 Series E63 Coupé and E64 cabriolet (05/2002-08/2005)
ref: BC73155Only 4 in stock
39,90 € ATI
Pressure converter for Bmw 6 Series E63 Coupé and E64 Cabriolet (04/2006-07/2010)
ref: BC28105Only 1 in stock
49,90 € ATI
FEBI crankshaft pulser for Bmw 6 Series E63 Coupé and E64 Cabriolet (06/2006-07/2010)
ref: BC73160Only 3 in stock
99,90 € ATI
Shock absorber for Bmw 6 Series E63 Coupé and E64 Cabriolet (05/2002-07/2010)
ref: BC73156Only 4 in stock
7,90 € ATI
FEBI coolant level sensor for Bmw 6 Series E63 Coupé and E64 Cabriolet (02/2002-07/2010)
ref: BC54040SUBSCRIBE TO OUR MECATECHNIC NEWSLETTER
Know us better
Security and payment
Need help
CONTACT US
+33 320 683 800
Secure payment :
© Copyrights 2013-2025, Mecatechnic.com